黃銅法(fa)蘭過濾(lǜ)器

産品(pǐn)型号:LV41-16T

公(gōng)稱壓力(lì):1.6MPa

工作介(jiè)質:水

工(gong)作溫度(dù):-20℃≤t≤120℃  



産品詳(xiáng)情

黃銅法(fa)蘭過濾(lü)器(圖1)


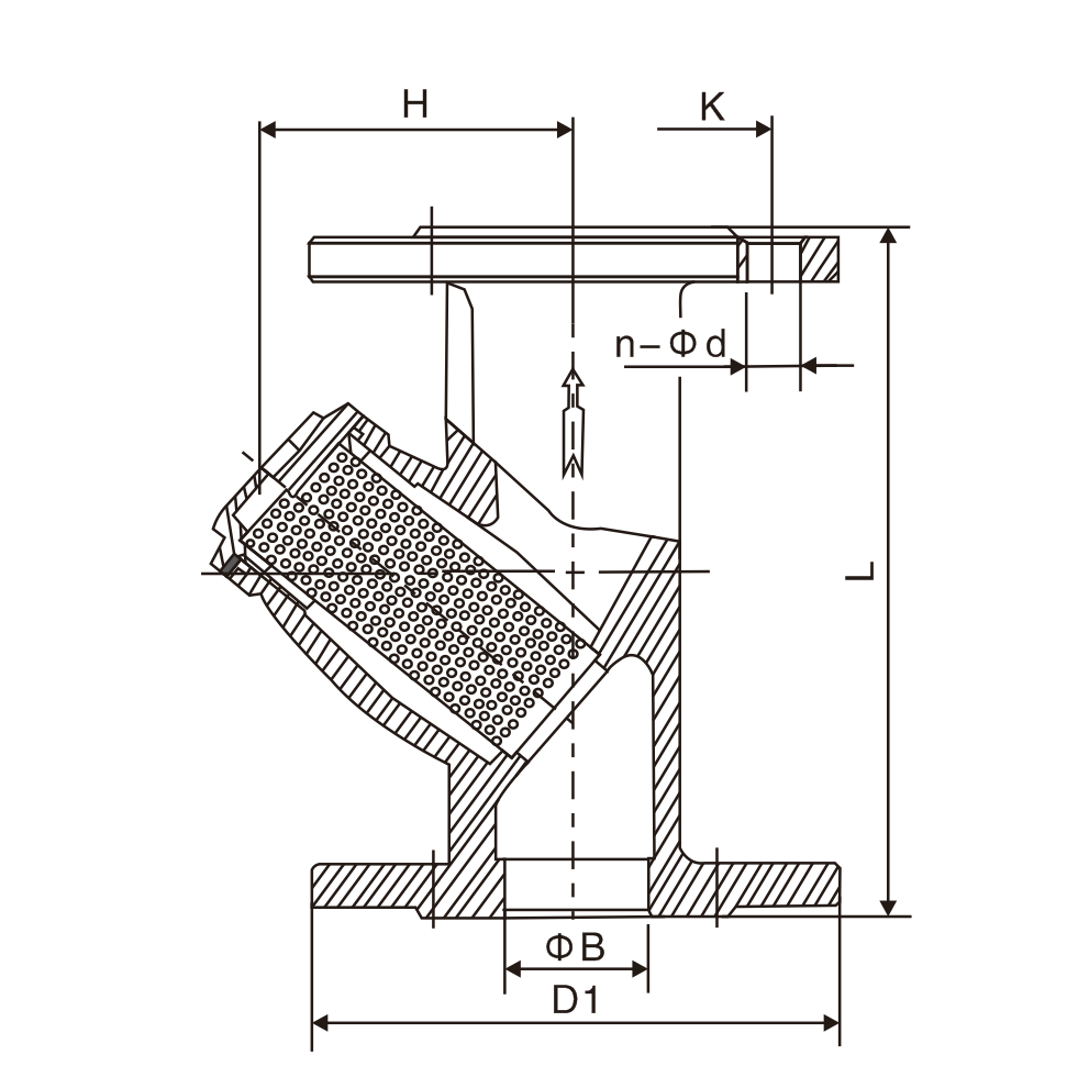
主(zhu)要外形(xing)尺寸

DN(mm)

NPS(in)

L

H

D1

n-Φd

80

3

96

160

200

8-18

100

4

314

220

180

220

8-18

5

398

235

210

150

6

470

250

240

280

8-22

200

8

543

330

295

338

11-30



産(chǎn)品推薦(jiàn)